| Изменить корзину Минимальная сумма заказа 150руб |
Сумма
|
Добро пожаловать в TIXER.RU, Войти или Зарегистрироваться
Модуль 2х канального реле
Цена: 189 руб
Доставка:
| Забрать из офиса |
| До 20:00 (пн-пт), 16:00 (сб) |
| Доставка в салон Евросеть/Связной |
| От 2 дней |
| Доставка в пункт выдачи |
| От 1 дня |
| Отправим Почтой России |
| Через 1 день |
Характеристики Модуль 2х канального реле
| Артикул | 0302045001 |
Описание
Максимальное напряжение реле: 250В
Максимальный ток реле: 10А
Управляющее напряжение: 5В
Модуль имеет оптическую развязку!
Предусмотрены отверстия для крепления модуля.
Размеры (см) 5.5 x 4.5 x 1.7
Дополнительная информация
2 независимых реле на переключение; Оптическая развязка; 250В, 10А.
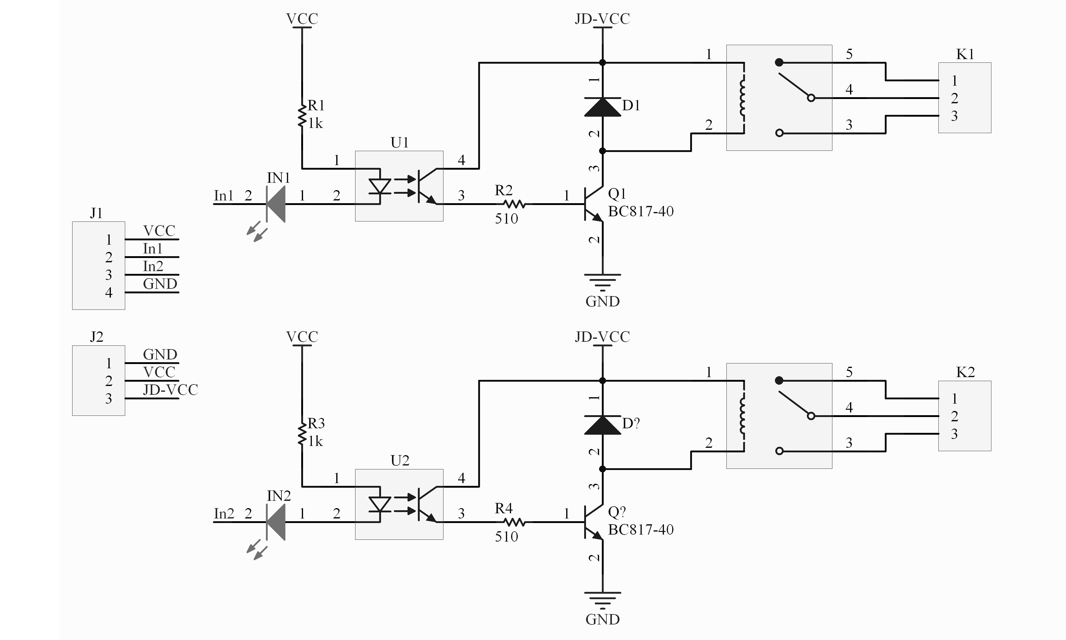
Данный модуль содержит два канала реле модель SRD-05VDC-SL-C, переключение осуществляется с помощью напряжение 5В. Схематически модуль специально разработан для управления с помощью слаботочных плат, таких как arduino, raspberry и так далее, которые на выходе могут выдать ток не более 40 мА, так же для защиты добавлен оптопара EL817, которая реализует гальваническую развязку. Принципиальная схема 2-х канального модуля реле показана на рисунке ниже.
Двухкональный релейный модуль состоит из двух независимых частей за исключением питания Vcc и GND. При подключении к напряжения, вывод In1 находиться в высоком состоянии (лог 1), для переключения первого реле необходимо вывод In1 перевести в отрицательное состояние (лог 0), то есть закоротить цепь на землю. Через светодиод, которые находится в оптопаре начнет протекать ток и он засветится, следом откроет фототранзистор, через который так же начнет течь ток на базу транзистора Q1, который откроется и реле сработает. Вторая часть реле, работ
