| Изменить корзину Минимальная сумма заказа 150руб |
Сумма
|
Добро пожаловать в TIXER.RU, Войти или Зарегистрироваться
Напряжение: 1.8В - 3.6В;
Интерфейс: I2C;
Max I2C Speed: 3.5Mhz;
Уровень шума - до 0.02hPa;
Полностью откалиброван;
Диапазон измерений: от 300hPa до 1100hPa (+9000m to -500m);
Вес: 1.18гр.;
Размеры: 21мм x 18мм.
GY-68 Датчик давления (барометр) BMP180
Цена: 56 руб
На складе: 194 шт
Доставка:
| Забрать из офиса |
| До 20:00 (пн-пт), 16:00 (сб) |
| Доставка в салон Евросеть/Связной |
| От 2 дней |
| Доставка в пункт выдачи |
| От 1 дня |
| Отправим Почтой России |
| Через 1 день |
Характеристики GY-68 Датчик давления (барометр) BMP180
| Артикул | 4501001030 |
Описание
Интерфейс: I2C;
Max I2C Speed: 3.5Mhz;
Уровень шума - до 0.02hPa;
Полностью откалиброван;
Диапазон измерений: от 300hPa до 1100hPa (+9000m to -500m);
Вес: 1.18гр.;
Размеры: 21мм x 18мм.
Дополнительная информация
Позволяет достичь точности определения высоты порядка 1м,
Шум в режиме ультранизкого потребления 50см.
В режиме повышенного разрешения 17см.
Полностью откалиброван
Внутренняя температурная компенсация измерений
Существует готовая библиотека для Arduino для работы с этим датчиком
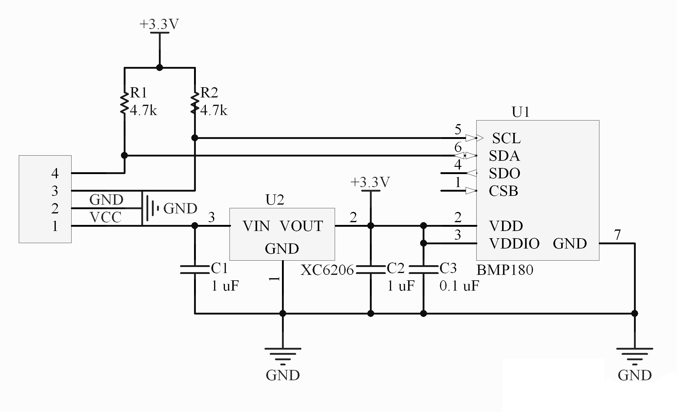
Назначение контактов:
► SCL — линия тактирования (Serial CLock)
► SDA — линия данных (Serial Data)
► VCC — «+» питание
► GND — «-» питание
Принципиальная схема датчика BMP180, показана ниже.