| Изменить корзину Минимальная сумма заказа 150руб |
Сумма
|
Добро пожаловать в TIXER.RU, Войти или Зарегистрироваться
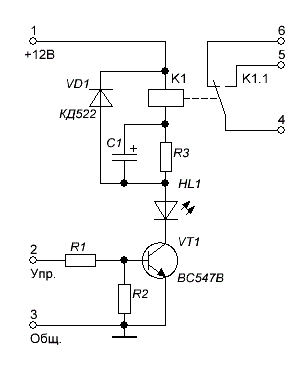
Управление силовой нагрузкой - акутальная задача, с которой рано или поздно сталкивается каждый радиолюбитель. Включить лампочку с помощью самодельного реле времени, включить нагреватель или вентилятор с помощью самодельного термостата. Запустить зарядку аккумулятора с помощью сигнала от компьютера, неожиданно выключить телевизор у ничего не подозревающей бабушки.
Существует несколько способов управления силовой нагрузкой. В данном наборе коммутирующим элементом служит электромагнитное реле, которое управляется при помощи транзисторного ключа. Светодиод служит индикатором включения реле.
Мощность коммутируемой нагрузки, кВт: 2
Напряжение питания нагрузки, В: 220
Гальваническая развязка: Да
Напряжение питания, В: 12
Макс. Потребляемый ток, мА: 30
Описание на сайте http://radiokotstruktor.ru/catalog/good/12
РК-М02, Модуль коммутации силовой нагрузки
Характеристики РК-М02, Модуль коммутации силовой нагрузки
| Артикул | 7700100108 |
Описание
Существует несколько способов управления силовой нагрузкой. В данном наборе коммутирующим элементом служит электромагнитное реле, которое управляется при помощи транзисторного ключа. Светодиод служит индикатором включения реле.
Мощность коммутируемой нагрузки, кВт: 2
Напряжение питания нагрузки, В: 220
Гальваническая развязка: Да
Напряжение питания, В: 12
Макс. Потребляемый ток, мА: 30
Описание на сайте http://radiokotstruktor.ru/catalog/good/12