РК-П02-15, Блок питания +15В, 1А, стабилизированный

РК-П02-15, Блок питания +15В, 1А, стабилизированный РК-П02-15, Блок питания +15В, 1А, стабилизированный РК-П02-15, Блок питания +15В, 1А, стабилизированный РК-П02-15, Блок питания +15В, 1А, стабилизированный
Бесплатная доставка по всей России*

Цена: 219 руб

Нет на складе

Характеристики РК-П02-15, Блок питания +15В, 1А, стабилизированный

Артикул 7700100114

Описание

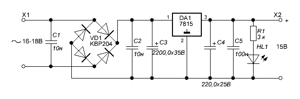
Блок питания основан на интегральном стабилизаторе серии 78хх. Использование этой микросхемы позволяет добиться высочайшего коэффициента стабилизации. Обе диагонали диодного моста зашунтированы керамическими конденсаторами C1 и C2, что позволяет подавлять импульсные высокочастотные помехи, проникающие из бытовой сети 220В через понижающий трансформатор. Конденсаторы C4 и C5 используются для дополнительной фильтрации выходного напряжения и обеспечивают более стабильную работу микросхемы DA1. Светодиод HL1 индицирует наличие выходного напряжения и позволяет разрядить электролитические конденсаторы БП при включении его без нагрузки.

Выходное напряжение, В: 15
Максимальный ток нагрузки, А:    1
Коэффициент стабилизации: 2500