| Изменить корзину Минимальная сумма заказа 150руб |
Сумма
|
Добро пожаловать в TIXER.RU, Войти или Зарегистрироваться
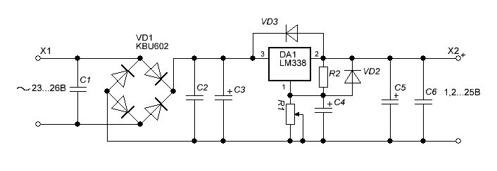
Основой блока питания является микросхема LM338 - интегральный стабилизатор с очень высоким коэффициентом стабилизации и повышенной нагрузочной способностью.
Переменное напряжение с понижающего трансформатора через диодный мост и буферный конденсатор С3 подается на вход стабилизатора. Резистором R1 устанаваливается необходимое выходное напряжение. Конденсаторы C4-C6 обеспечивают дополнительную фильтрацию выходного напряжения и обеспечивают стабильность работы микросхемы в различных режимах. Диоды VD2 и VD3 защищают микросхему от неправильного подключения нагрузки и паразитных токов разряда конденсаторов в случае короткого замыкания в нагрузке.
Выходное напряжение, В: 1,2...25
Максимальный ток нагрузки, А: 5
Коэффициент стабилизации: 2500
РК-П03, Блок питания 1,2...25В, 5А стабилизированный
Характеристики РК-П03, Блок питания 1,2...25В, 5А стабилизированный
| Артикул | 7700100115 |
Описание
Переменное напряжение с понижающего трансформатора через диодный мост и буферный конденсатор С3 подается на вход стабилизатора. Резистором R1 устанаваливается необходимое выходное напряжение. Конденсаторы C4-C6 обеспечивают дополнительную фильтрацию выходного напряжения и обеспечивают стабильность работы микросхемы в различных режимах. Диоды VD2 и VD3 защищают микросхему от неправильного подключения нагрузки и паразитных токов разряда конденсаторов в случае короткого замыкания в нагрузке.
Выходное напряжение, В: 1,2...25
Максимальный ток нагрузки, А: 5
Коэффициент стабилизации: 2500