Личный кабинет
Корзина
Добро пожаловать в TIXER.RU,
Войти
или
Зарегистрироваться
TIXER.RU
Найти
Корзина еще пуста
Изменить корзину
Минимальная сумма заказа 150руб
Сумма
0 руб
Каталог
О магазине
О магазине
Контакты
Обратная связь
Оплата
Доставка
Как купить
Ответы на вопросы
Сотрудничество
Правовая информация
Товары под заказ
Параметрический фильтр
Вакансии
Скидки
Оплата
Доставка
Как купить
Справочник
Личный кабинет
Мои настройки
Мои заказы
Моя корзина
Подписка
/
Каталог
/
Отечественные
/
Транзисторы
/
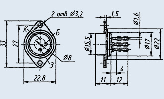
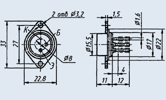
1Т906А
1Т906А
Бесплатная доставка по всей России*
Цена:
75 руб
Нет на складе
Купить
Характеристики 1Т906А
Артикул
6101001103
DIV >